本標準代替GB/T 3621-1994《鈦及鈦合金板材》。
本標準與GB/T 3621-1994相比,主要有以下變動:
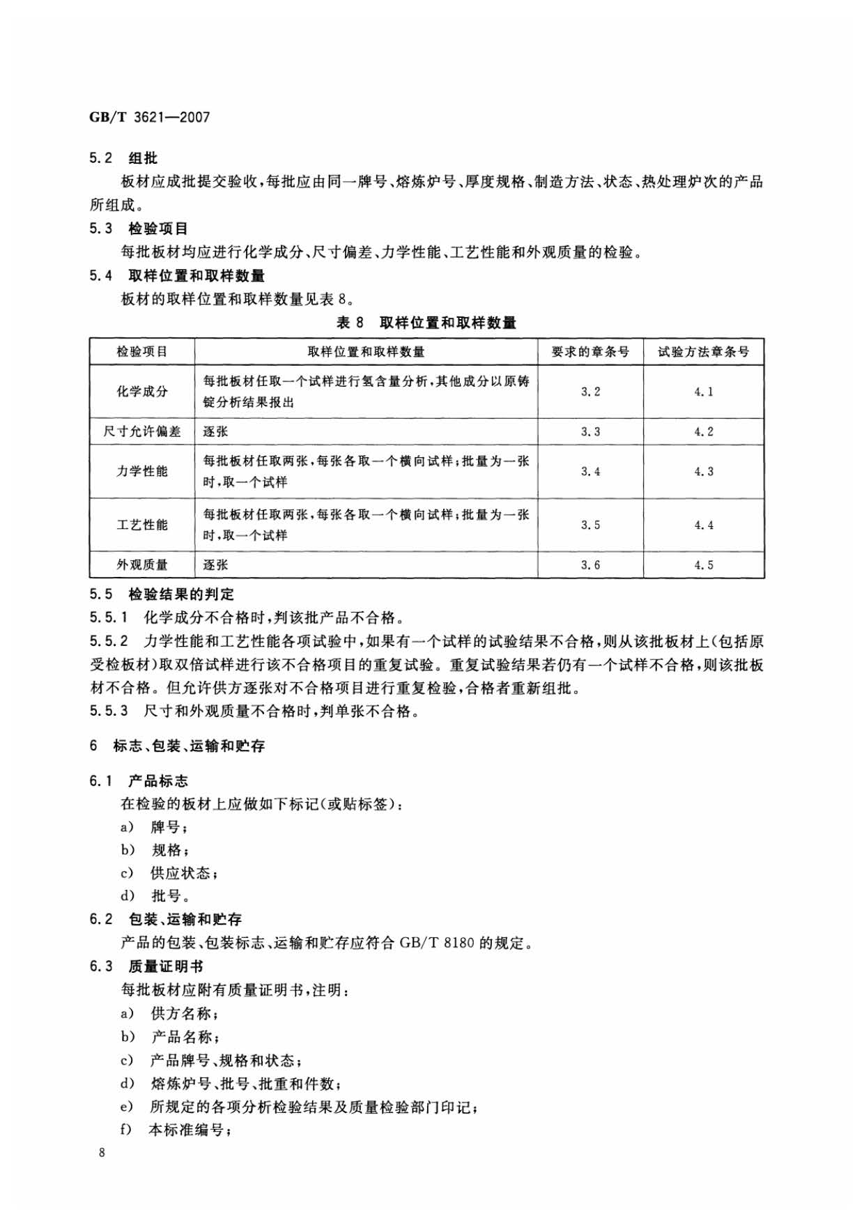
—增加了TA8、TA8-l、TA9-1、TA11、TA15、TA17、TA18、T85、TB6 、TB8、TC4ELI等11個新的合金牌號及其產品尺寸允許偏差、力學性能、工藝性能等;
—將冷軋成品厚度規格從原來的0.3mm~4.0mm改為0.3 mm~6.0mm。熱軋成品厚度規格修訂為>4.75mm~60.0mm;
—純鈦和TC4鈦合金成品厚度規格修訂為0.3mm~25mm和0.8mm~25mm, 對部分規格板材的長度允許偏差進行了修訂;
—增加β合金和近β合金板材的不平度要求;
—供貨狀態符號采用ST、STA替換原來的C 、CS, 與國際表示方法一致;
—將尺寸偏差中厚度規格劃分為連續式;
—板材室溫力學性能規定殘余伸長應力δr0.2改為規定非比例延伸強度Rp0.2;
—對純鈦板材的力學性能和工藝性能指標進行了重大調整,規定非比例延伸強度采用了ASTM B265-2006的指標,抗拉強度和斷后伸長率指標均高于ASTM B265-2006;
—增加了復合板用TA10板材的力學性能指標(B類);
—鈦及鈦合金板材成品供貨增加了消除應力狀態(m);
—增加砂光表面的板材.
本標準由中國有色金屬工業協會提出。
本標準由全國有色金屬標準化技術委員會歸口。
本標準由寶鈦集團有限公司、寶雞鈦業股份有限公司負責起草.
本標準主要起草人:張海龍、黃永光、張平輝、李獻軍、王紅武、張江峰。
本標準由全國有色金屬標準化技術委員會負責解釋。
本標準所替代標準的歷次版本發布情況為:
—G8/T 3621-1983、GB/T 3621-1994.
鈦及鈦合金板國家標準GB/T 3621—2007的詳細規范,立坤鈦業結合相關資料,分享如下:











相關鏈接